Bidirectional converters are becoming increasingly commonplace with the rise of renewable energy systems and electric vehicles. In these systems, power is transferred in two directions from source to load and vice versa.
DC-DC bidirectional converters typically operate between two different voltage levels, for example when used in BESS and in hybrid/electric vehicles. AC-DC bidirectional converters operate between AC and DC voltage to allow bidirectional current flow. They are primarily found in grid-tied systems where energy can flow to and from the grid, for example in Rectifier/inverter configurations. AC-AC bidirectional converters handle bidirectional energy exchange between AC systems, such as those typically found in industrial drives, microgrid applications, and power backup systems.
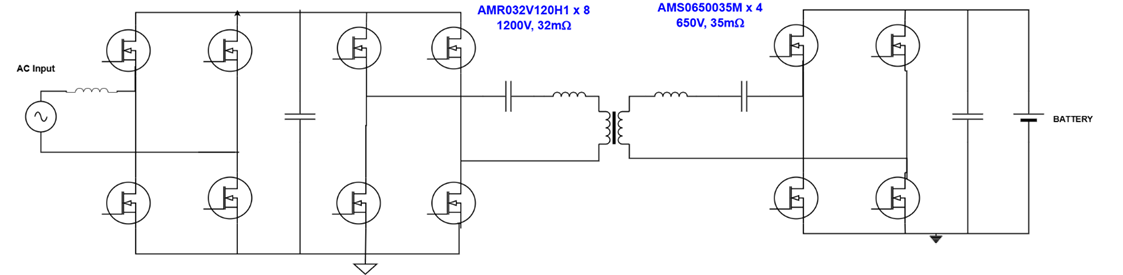
To achieve high-efficiency operation of Bidirectional Converters, replace equivalent Silicon (Si) components with Silicon Carbide (SiC) MOSFETs (Figure 1).
Figure 1. Bidirectional Converter Employing SiC MOSFETs
Applications
Some applications where SiC MOSFET Fast Body Diodes driver inverters can be used effectively include:
- Power Supply Units (PSUs)
- Battery Energy Storage Systems (BESS)
- Uninterruptible Power Supply (UPS) Systems
- Electric Vehicle Charging
Benefits
Using a SiC MOSFET Fast Body Diode reduces switching losses. The size of magnetics can be reduced in devices using High Frequency Operation, which enables smaller component designs. Additionally, SiC MOSFETs enable the use of active front-end topologies for higher efficiency.
Highlighted Products
Luminus offers high-quality SiC power products under the brand Analog Power Conversion Electronics (APC-E), including these SiC MOSFETs:
- AAR032V120H1– SiC MOSFET, 1200 V, 32 mOhm
- AMR035V065H2- SiC MOSFET, 650 V, 35 mOhm
APC employes state-of-the-art manufacturing processes conforming to the latest industry standards. All products are designed in the U.S. and built in the Philippines ensuring some of the shortest lead times in the industry.
You can purchase samples of Luminus Power Semiconductor products here. Our authorized distributors include Avnet Electronics, Mouser and Digikey.
Learn more about other applications that can benefit from SiC power products from APC:
Increasing Power Supply Efficiency with SiC Boost Diode and MOSFETs
Improving Solid State Motor Efficiency with SiC Three-Phase Motor Driver Inverters
Simplifying Aux Power Supply Design & Lowering Costs with SiC MOSFETs
For more information, please email apc-e@luminus.com
REFERENCES:
[1] A Comprehensive Review of the Bidirectional Converter Topologies for the Vehicle-to-Grid System
[2] AC/DC, DC-DC bi-directional converters for energy storage and EV applications
Comments
0 comments
Article is closed for comments.