Silicon carbide (SiC) is a wide band-gap semiconductor material with unique properties that are well suited to high temperature and high power where conventional semiconductor material like silicon (Si) cannot perform adequately or reliably1. In modern electric systems, the transition from traditional Silicon (Si) power devices to Silicon Carbide (SiC) devices is driven by the need for higher efficiency, power density, and performance.
SiC devices that deliver increased efficiency and power density include SiC PFC Boost Diodes and SiC MOSFET with their integral Fast Body Diodes (Figure 1). Luminus offers high-quality SiC power products under the brand Analog Power Conversion Electronics (APC-E).
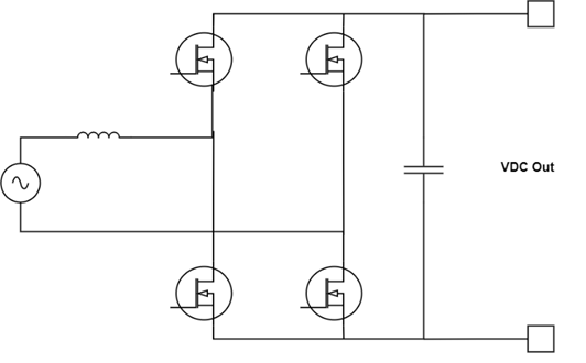
Figure 1. A PFC design that incorporates SiC MOSFETs and a high-power SiC Schottky Barrier Diode for the PFC boost section.
Applications
Applications that benefit from using SiC in power supplies include:
- Power Supply Units (PSUs)
- Photovoltaic (PV) inverters
- Battery Energy Storage Systems (BESS)
- Uninterruptible Power Supply (UPS) Systems
- Modular Multilevel Converters
- Motor controls
- Appliances
- Green energy systems
In these and similar applications, replacing Si MOSFETs and diodes with their SiC equivalents increase efficiency and system robustness. This is especially true with PFC Boost circuits. SiC MOSFETs also enable Totem Pole PFC designs (Figure 2) for higher efficiency. In bridgeless designs, higher-efficiency SiC MOSFETs are also replacing the input diode bridge rectifier.
Figure 2. Totem Pole PFC.
Benefits
The benefits of using SiC MOSFETs include reduced switching losses. The low Rds(on) also means lower conduction losses during operation. Additionally, the size of magnetics can be reduced in devices using High Frequency Operation, which enables smaller designs. Refer to the schematic diagrams above.
Highlighted Products
Luminus offers high-quality SiC power products under the brand Analog Power Conversion Electronics (APC-E).
- AMR032V120H1– SiC MOSFET Transistor, 1200 V, 32 mOhm
- AMR075V120H1 – SiC MOSFET Transistor, 1200 V, 75 mOhm
- ASA030V120B5 – SiC Schottky Barrier Diode, 1200 V, 30 A
APC-E employs state-of-the-art manufacturing processes that adhere to the latest industry standards. All products are designed in the U.S. and built in the Philippines ensuring some of the shortest lead times in the industry.
You can purchase samples of Luminus Power Semiconductor products here. Our authorized distributors include Avnet Electronics, Mouser and Digikey.
Learn more about other applications that can benefit from SiC power products from APC:
Simplifying Aux Power Supply Design & Lowering Costs with SiC MOSFETs
Improving Solid State Motor Efficiency with SiC Three-Phase Motor Driver Inverters
Increasing the Efficiency of Bidirectional Converters with SiC Power Devices
For more information, please email apc-e@luminus.com
REFERENCE:
- Abderrazak, Houyem & Hmida, E.s. (2011). Silicon Carbide: Synthesis and Properties. DOI: 10.5772/15736.
Comments
0 comments
Article is closed for comments.